Lab Series L5/L7/L9/L11 Amp Service Docs


Technical Overview ] [ Service Docs ]
Louden Up! ] [ Music/Guitars/Amps ]

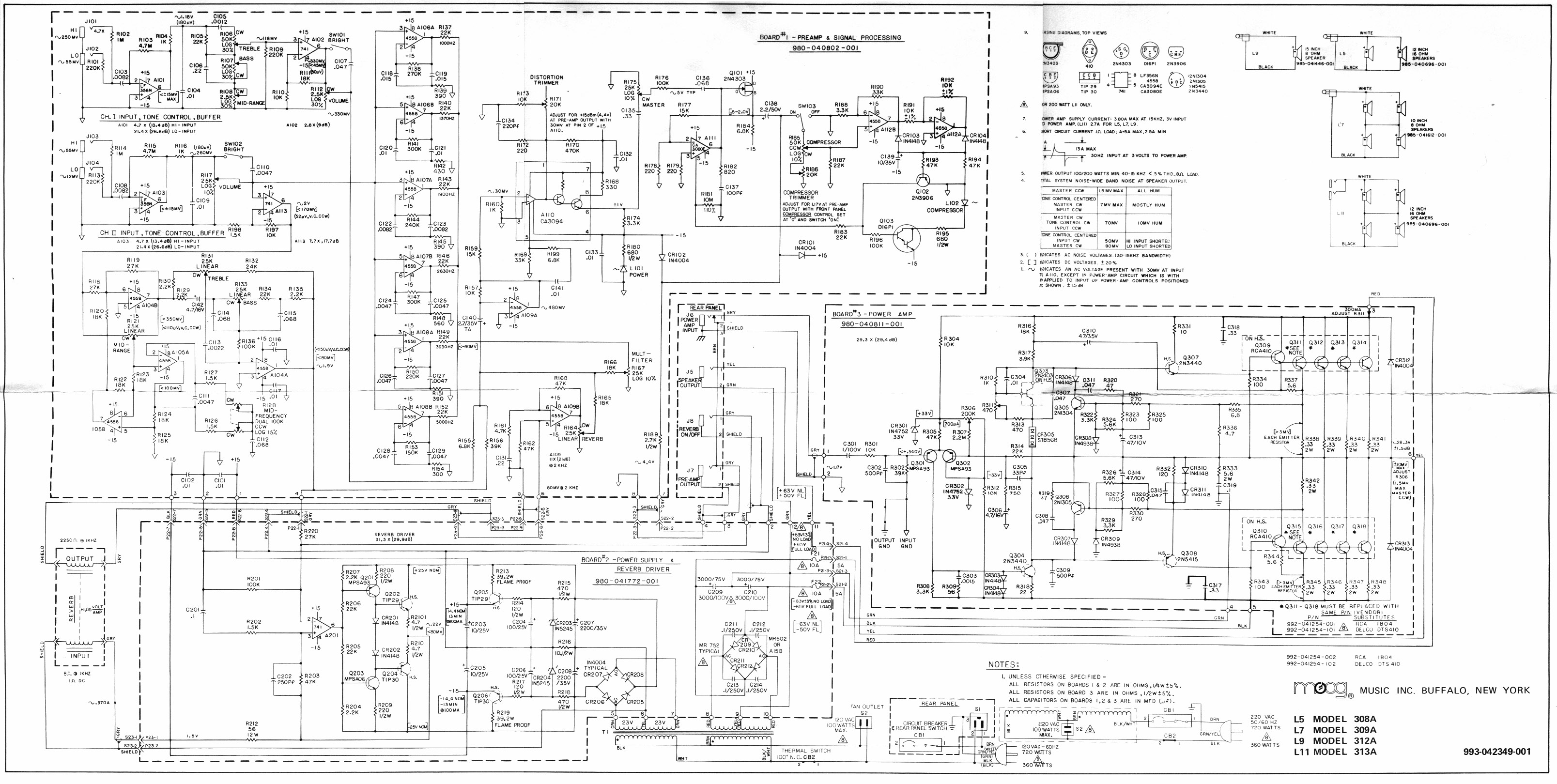
The board layouts and schematic were scanned and sent by Hector <hector@stny.rr.com> from the AGA newsgropup. See below for larger, more useful versions.

[schematic here]
Board Layout

[schematic here]
Schematic

You can also get larger, beautiful scans as progressive JPEGs:

Board Layout
JPEG(1M) [~3.2kx1.6k]
PDF(2.25M)
Schematic
JPEG(.83M) [~3.2kx1.6k]
PDF(1.5M)

I also have scans of the service notes. If I had some good OCR software I would convert these to text; if someone wants to do that and send me the text files, I'll post them here. Each image is a little over 300KB.

Service Notes: Page 1 Page 2 Page 3


Technical Overview ] [ Service Docs ]
Louden Up! ] [ Music/Guitars/Amps ]

Last updated: 04 February 2006

Copyright Y2K++ Miles O'Neal, Austin, TX. All rights reserved.

Miles O'Neal <roadkills.r.us@XYZZY.gmail.com> [remove the "XYZZY." to make things work!] c/o RNN / 1705 Oak Forest Dr / Round Rock, TX / 78681-1514